Help wiring G0704 Spindle to Mesa 7i96s
- bmoo
- Away
- New Member
-
Less
More
- Posts: 5
- Thank you received: 0
21 Feb 2026 16:21 #343269
by bmoo
Help wiring G0704 Spindle to Mesa 7i96s was created by bmoo
Attachments:
Please Log in or Create an account to join the conversation.
- tommylight
-
- Away
- Moderator
-
Less
More
- Posts: 21587
- Thank you received: 7369
21 Feb 2026 17:44 #343272
by tommylight
Replied by tommylight on topic Help wiring G0704 Spindle to Mesa 7i96s
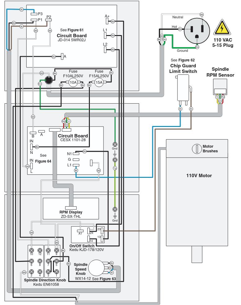
Do you have a Mesa 7i96 or 7i96S?
Your tittle says 7i96S but the attached picture is for 7i96, so what gives?
Your tittle says 7i96S but the attached picture is for 7i96, so what gives?
Please Log in or Create an account to join the conversation.
- bmoo
- Away
- New Member
-
Less
More
- Posts: 5
- Thank you received: 0
21 Feb 2026 18:06 #343274
by bmoo
Replied by bmoo on topic Help wiring G0704 Spindle to Mesa 7i96s
Whoops, got the wrong image. It's a 7i96s
Please Log in or Create an account to join the conversation.
- bmoo
- Away
- New Member
-
Less
More
- Posts: 5
- Thank you received: 0
21 Feb 2026 18:28 #343275
by bmoo
Replied by bmoo on topic Help wiring G0704 Spindle to Mesa 7i96s
Attachments:
Please Log in or Create an account to join the conversation.
- Meleon
- Offline
- New Member
-
Less
More
- Posts: 8
- Thank you received: 2
02 Mar 2026 19:22 #343746
by Meleon
Replied by Meleon on topic Help wiring G0704 Spindle to Mesa 7i96s
following
Please Log in or Create an account to join the conversation.
- Meleon
- Offline
- New Member
-
Less
More
- Posts: 8
- Thank you received: 2
21 Apr 2026 12:51 #345808
by Meleon
Replied by Meleon on topic Help wiring G0704 Spindle to Mesa 7i96s
Hi bmoo, have you made any headway wiring your spindle?
Please Log in or Create an account to join the conversation.
- bmoo
- Away
- New Member
-
Less
More
- Posts: 5
- Thank you received: 0
02 May 2026 17:16 #346103
by bmoo
Replied by bmoo on topic Help wiring G0704 Spindle to Mesa 7i96s
I have not. I've been taking too long figuring out if I can make a dual loop feedback system and learning I should pause that endeavor for now. Currently working on seeing if this thing can cut a semblance of a part then hopefully spindle control. Will update if I learn anything.
Please Log in or Create an account to join the conversation.
Moderators: piasdom
Time to create page: 0.149 seconds