Can I use ESTUN servo drivers EDB-15APA with LinuxCNC?
- zaxlex
- Offline
- New Member
-
Less
More
- Posts: 13
- Thank you received: 0
19 Sep 2019 18:37 - 19 Sep 2019 18:39 #145611
by zaxlex
Can I use ESTUN servo drivers EDB-15APA with LinuxCNC? was created by zaxlex
I got classical CNC router with XYZ axis, it has ESTUN servo drivers EDB-15APA controlling by some ABB controller and it all work from some windows programm.
I never have before CNC machine with servo's and do not have experience to configure it and which control protocol choose or some else, I just now that there are has some OpenCan EtherCat and thats all.
I want reconfiguring that servo drivers to use it with our LinuxCNC, and I want ask it is possible or not and how configure it may be it has some example to do it for my case.
I find manual to it servo driver I think it must help us to understand is it possible or not. - MANUAL for EDB series
I read it and see couple interesting things for me:)
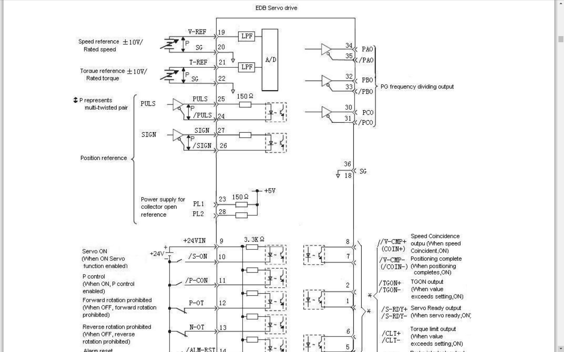
in first atachment - screenshoot by 13 page
it can be controlled by position reference through PULS (25 and 24 pin) , SIGN (26 and 27 pin) and PL1 PL2 (23 and 28 pin)
It sounds like full analog with our classical style controlling by step drivers - STEP DIR ENABLE
and after when I saw second attachment- screenshoot by 36 page
I want belive that is true and we can controll it servo by classical method to give them pulse from step dir
please help me understand am I right or not
or may be you now some other way?
Thank you.
I never have before CNC machine with servo's and do not have experience to configure it and which control protocol choose or some else, I just now that there are has some OpenCan EtherCat and thats all.
I want reconfiguring that servo drivers to use it with our LinuxCNC, and I want ask it is possible or not and how configure it may be it has some example to do it for my case.
I find manual to it servo driver I think it must help us to understand is it possible or not. - MANUAL for EDB series
I read it and see couple interesting things for me:)
in first atachment - screenshoot by 13 page
it can be controlled by position reference through PULS (25 and 24 pin) , SIGN (26 and 27 pin) and PL1 PL2 (23 and 28 pin)
It sounds like full analog with our classical style controlling by step drivers - STEP DIR ENABLE
and after when I saw second attachment- screenshoot by 36 page
I want belive that is true and we can controll it servo by classical method to give them pulse from step dir
please help me understand am I right or not
or may be you now some other way?
Thank you.
Last edit: 19 Sep 2019 18:39 by zaxlex.
Please Log in or Create an account to join the conversation.
- PCW
-
- Offline
- Moderator
-
Less
More
- Posts: 17657
- Thank you received: 5164
19 Sep 2019 20:01 #145620
by PCW
Replied by PCW on topic Can I use ESTUN servo drivers EDB-15APA with LinuxCNC?
If the drives can interface via EtherCAT you should be able to control the with
LinuxCNC +PC with no additional hardware.
If they do not have a EtherCAT interface you can chose step/dir position mode
or analog velocity mode. Both would typically require some additional
interface hardware (the step/dir case is simpler though)
LinuxCNC +PC with no additional hardware.
If they do not have a EtherCAT interface you can chose step/dir position mode
or analog velocity mode. Both would typically require some additional
interface hardware (the step/dir case is simpler though)
Please Log in or Create an account to join the conversation.
- zaxlex
- Offline
- New Member
-
Less
More
- Posts: 13
- Thank you received: 0
19 Sep 2019 20:42 #145623
by zaxlex
Can you help me understand where in manual described what control mode we can use?
No words about step dir? may be it has it control mode but described it by another words and I can not be sure.
Replied by zaxlex on topic Can I use ESTUN servo drivers EDB-15APA with LinuxCNC?
Warning: Spoiler!
If the drives can interface via EtherCAT you should be able to control the with
LinuxCNC +PC with no additional hardware.
If they do not have a EtherCAT interface you can chose step/dir position mode
or analog velocity mode. Both would typically require some additional
interface hardware (the step/dir case is simpler though)
Can you help me understand where in manual described what control mode we can use?
No words about step dir? may be it has it control mode but described it by another words and I can not be sure.
Please Log in or Create an account to join the conversation.
- PCW
-
- Offline
- Moderator
-
Less
More
- Posts: 17657
- Thank you received: 5164
19 Sep 2019 20:52 #145625
by PCW
Replied by PCW on topic Can I use ESTUN servo drivers EDB-15APA with LinuxCNC?
They call step/dir "pulse/sign" (page 13)
The following user(s) said Thank You: zaxlex
Please Log in or Create an account to join the conversation.
- zaxlex
- Offline
- New Member
-
Less
More
- Posts: 13
- Thank you received: 0
19 Sep 2019 21:16 #145629
by zaxlex
and I found another couple control modes - it is Speed control mode and Torque control mode
and I want now LinuxCNC can work with it modes or not, I ask it because I want insert in old system some releys block to switch wire from old windows system to new LinuxCNC and back, and I want that control mode will be same in both case.
Replied by zaxlex on topic Can I use ESTUN servo drivers EDB-15APA with LinuxCNC?
If I'm right understand Position control mode it is what I need - it is same that step/dir control mode, isn't it?They call step/dir "pulse/sign" (page 13)
and I found another couple control modes - it is Speed control mode and Torque control mode
and I want now LinuxCNC can work with it modes or not, I ask it because I want insert in old system some releys block to switch wire from old windows system to new LinuxCNC and back, and I want that control mode will be same in both case.
Please Log in or Create an account to join the conversation.
- andypugh
-
- Offline
- Moderator
-
Less
More
- Posts: 19793
- Thank you received: 4605
20 Sep 2019 12:13 #145663
by andypugh
Replied by andypugh on topic Can I use ESTUN servo drivers EDB-15APA with LinuxCNC?
You are spoilt for choice, you can control that drive any way you want.
What type of feedback do the servo motors have?
What type of feedback do the servo motors have?
Please Log in or Create an account to join the conversation.
Time to create page: 0.134 seconds