Stepper driver logic input polarity - Mesa 7i96s.
- null
- Offline
- New Member
-
Less
More
- Posts: 17
- Thank you received: 4
01 Feb 2024 23:36 #292174
by null
Stepper driver logic input polarity - Mesa 7i96s. was created by null
My 'generic' stepper driver data sheet has a 'typical wiring diagram' connected in Common Positive.
I originally used (copied from another project) Common Positive, leaving the ENA+/- connections unconnected.
I changed my motion controller and then used the Common Negative connected version of the data sheet wiring diagram.
Is there significance between any of these options for the 7i96s?
What is the importance of making one side (+ or -) common? Is it a 'noise' issue or some other current and/or voltage related issue?
(My steppers are wired bipolar parallel).
I originally used (copied from another project) Common Positive, leaving the ENA+/- connections unconnected.
I changed my motion controller and then used the Common Negative connected version of the data sheet wiring diagram.
Is there significance between any of these options for the 7i96s?
What is the importance of making one side (+ or -) common? Is it a 'noise' issue or some other current and/or voltage related issue?
(My steppers are wired bipolar parallel).
Attachments:
Please Log in or Create an account to join the conversation.
- tommylight
-
- Offline
- Moderator
-
Less
More
- Posts: 21381
- Thank you received: 7291
01 Feb 2024 23:42 #292175
by tommylight
With 7i96S you also have the option of using differential wiring, that is more immune to interference.
Replied by tommylight on topic Stepper driver logic input polarity - Mesa 7i96s.
It is the same in every possible way, but that depends on what is driving those inputs, example the parallel port has a bit more current sinking ability than sourcing so using common + is better/safer.What is the importance of making one side (+ or -) common? Is it a 'noise' issue or some other current and/or voltage related issue?
With 7i96S you also have the option of using differential wiring, that is more immune to interference.
The following user(s) said Thank You: null
Please Log in or Create an account to join the conversation.
- null
- Offline
- New Member
-
Less
More
- Posts: 17
- Thank you received: 4
02 Feb 2024 14:26 #292218
by null
Replied by null on topic Stepper driver logic input polarity - Mesa 7i96s.
Attachments:
Please Log in or Create an account to join the conversation.
- tommylight
-
- Offline
- Moderator
-
Less
More
- Posts: 21381
- Thank you received: 7291
02 Feb 2024 15:02 #292220
by tommylight
Replied by tommylight on topic Stepper driver logic input polarity - Mesa 7i96s.
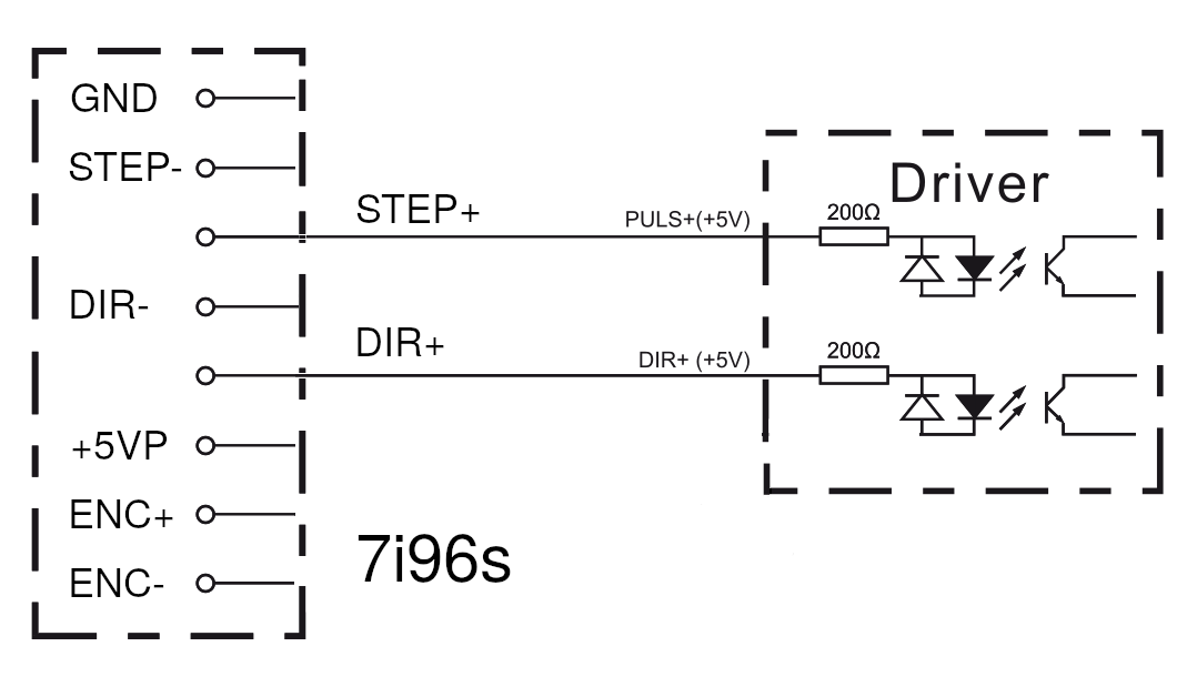
Step+ to pulse+
Step- to pulse-
Dir+ to dir+
Dir- to dir-
Step- to pulse-
Dir+ to dir+
Dir- to dir-
The following user(s) said Thank You: null
Please Log in or Create an account to join the conversation.
Time to create page: 0.097 seconds