Mesa 7i96s Torch on and arc ok problems?
- Boltten
- Offline
- New Member
-
Less
More
- Posts: 4
- Thank you received: 0
07 Nov 2025 17:58 #338040
by Boltten
Mesa 7i96s Torch on and arc ok problems? was created by Boltten
Hi everyone,I’m finishing up my CNC plasma build using a Mesa 7i96s, Spartus ProCut 45PCF, and a THCAD-5 (not yet connected).My issue:
The torch on output (OUT0) from the Mesa won’t trigger the plasma directly.
If I short pin 3 & 4 on the Spartus CNC port manually, the torch fires instantly.
When I run the signal through a relay, it also works fine.
But when I connect the Spartus directly to OUT0+ and OUT0-, (or OUT5) nothing happens — even though the Mesa output LED lights up and I can measure switching.The Arc OK behaves similarly — it only works through a relay. But when i have torch pulse on it stays active. And when cutting a circle is just flashes real quick and torch dies.
The output LEDs on the Mesa board are about half as bright as the input LEDs.All 0 V lines in my control cabinet go to a common terminal, which is also tied to PE (earth) and the machine frame.
I have 24 V on IN COMMON, and everything else seems correct.Has anyone successfully triggered a Spartus ProCut 45PCF directly from a Mesa 7i96s output (without a relay)?
If so, could you share how you wired OUT0+ / OUT0- relative to the plasma CNC port pins (3–4)?I’ve looked through other wiring diagrams and posts, but haven’t found a clear answer yet.
Any suggestions or example diagrams would be very much appreciated. I will try and make a diagram of mine so you guys can have a look
)Thanks!
The torch on output (OUT0) from the Mesa won’t trigger the plasma directly.
If I short pin 3 & 4 on the Spartus CNC port manually, the torch fires instantly.
When I run the signal through a relay, it also works fine.
But when I connect the Spartus directly to OUT0+ and OUT0-, (or OUT5) nothing happens — even though the Mesa output LED lights up and I can measure switching.The Arc OK behaves similarly — it only works through a relay. But when i have torch pulse on it stays active. And when cutting a circle is just flashes real quick and torch dies.
The output LEDs on the Mesa board are about half as bright as the input LEDs.All 0 V lines in my control cabinet go to a common terminal, which is also tied to PE (earth) and the machine frame.
I have 24 V on IN COMMON, and everything else seems correct.Has anyone successfully triggered a Spartus ProCut 45PCF directly from a Mesa 7i96s output (without a relay)?
If so, could you share how you wired OUT0+ / OUT0- relative to the plasma CNC port pins (3–4)?I’ve looked through other wiring diagrams and posts, but haven’t found a clear answer yet.
Any suggestions or example diagrams would be very much appreciated. I will try and make a diagram of mine so you guys can have a look
Please Log in or Create an account to join the conversation.
- PCW
-
- Offline
- Moderator
-
Less
More
- Posts: 17869
- Thank you received: 5232
07 Nov 2025 18:25 - 07 Nov 2025 18:26 #338044
by PCW
Replied by PCW on topic Mesa 7i96s Torch on and arc ok problems?
I would measure the voltage between OUT0+ and OUT- when on to diagnose the issue.
it should be much less than a volt
If OUT5 is used instead (this is suggested for Plasma systems) the voltage may be higher
but no more than 1 volt or so.
it should be much less than a volt
If OUT5 is used instead (this is suggested for Plasma systems) the voltage may be higher
but no more than 1 volt or so.
Last edit: 07 Nov 2025 18:26 by PCW.
Please Log in or Create an account to join the conversation.
- Boltten
- Offline
- New Member
-
Less
More
- Posts: 4
- Thank you received: 0
08 Nov 2025 17:48 #338086
by Boltten
Replied by Boltten on topic Mesa 7i96s Torch on and arc ok problems?
The voltage between out4+ and out4- is going down to 0.06v for my torch on when triggered. my Arc ok goes to 0v and input 07. when torch is close to plate the 07 led is bright like the others but still only flashes for a second. And then i get valid arc lost, some seconds later.
Please Log in or Create an account to join the conversation.
- PCW
-
- Offline
- Moderator
-
Less
More
- Posts: 17869
- Thank you received: 5232
08 Nov 2025 18:08 - 08 Nov 2025 18:09 #338087
by PCW
Replied by PCW on topic Mesa 7i96s Torch on and arc ok problems?
OK so the output seems to be working correctly, maybe this is a setup issue, perhaps the arc-ok filtering is insufficient
or there is some other issue with the ARC OK signal causing LinuxCNC to drop torch on.
or there is some other issue with the ARC OK signal causing LinuxCNC to drop torch on.
Last edit: 08 Nov 2025 18:09 by PCW.
Please Log in or Create an account to join the conversation.
- tommylight
-
- Away
- Moderator
-
Less
More
- Posts: 21543
- Thank you received: 7344
08 Nov 2025 23:04 #338093
by tommylight
Replied by tommylight on topic Mesa 7i96s Torch on and arc ok problems?
Video on youtube?
Please Log in or Create an account to join the conversation.
- Boltten
- Offline
- New Member
-
Less
More
- Posts: 4
- Thank you received: 0
10 Nov 2025 19:24 #338151
by Boltten
Replied by Boltten on topic Mesa 7i96s Torch on and arc ok problems?
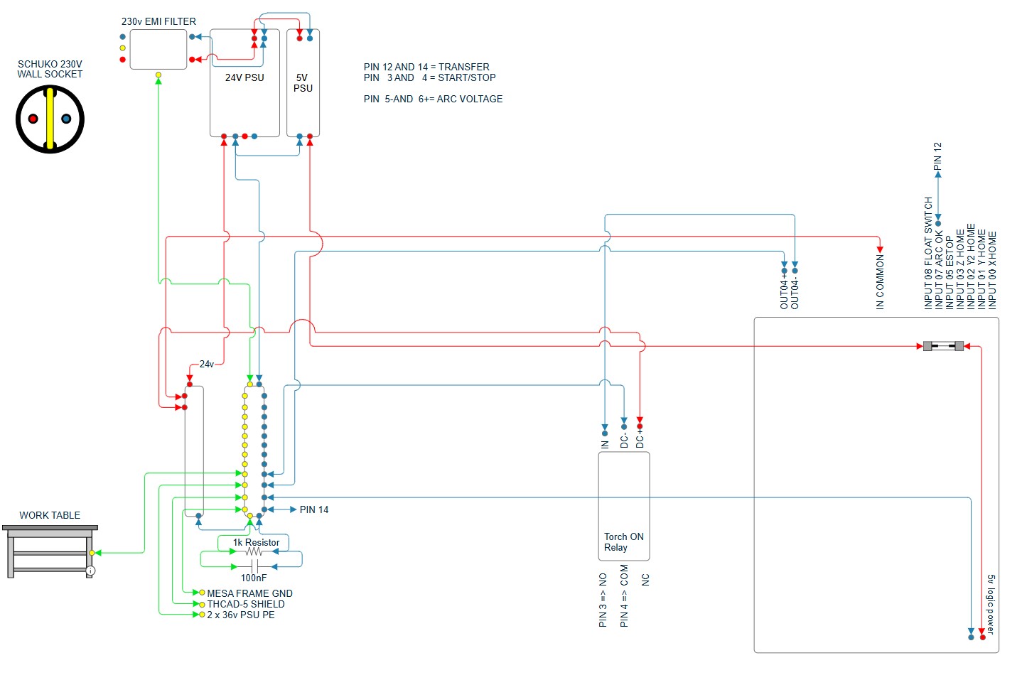
Sorry for late reply. I've have made a new rebuild of my wiring, and i would appreciate if you guys would check if everything looks correct. I will make a video of the problem if it still there, if my wiring diagram looks right.
Attachments:
Please Log in or Create an account to join the conversation.
- Boltten
- Offline
- New Member
-
Less
More
- Posts: 4
- Thank you received: 0
10 Nov 2025 19:26 #338153
by Boltten
Replied by Boltten on topic Mesa 7i96s Torch on and arc ok problems?
Attachments:
Please Log in or Create an account to join the conversation.
- PCW
-
- Offline
- Moderator
-
Less
More
- Posts: 17869
- Thank you received: 5232
11 Nov 2025 17:26 #338198
by PCW
Replied by PCW on topic Mesa 7i96s Torch on and arc ok problems?
It look basically OK but I do not have information on the plasma source pinout
Please Log in or Create an account to join the conversation.
Moderators: snowgoer540
Time to create page: 0.097 seconds