Retrofit cnc 3axis
- tommylight
-
- Offline
- Moderator
-
Less
More
- Posts: 21556
- Thank you received: 7354
30 Sep 2022 00:17 #253068
by tommylight
Replied by tommylight on topic Retrofit cnc 3axis
Red arrows point to blue text, now i see one arrow points to another cable, nothing to do with the upper cable.
First, that is a very old PC with ISA slots, well the whole PC is in one of such ISA slots, so chances of running anything more than DOS are slim. Even then there are no drivers for the IO board, most probably.
So this requires a bit of reverse engineering, start by yanking out the IO board, use the DVM to trace connections on the board, start by finding out what pin on the IDC20 goes to what transistor on that board (the small black things, 16 of them) and where that pin goes on the other side of the cable to figure out what it controls.
Later, find the PDF for the yellow ooptocouplers on the inputs, see what pin from the wide flat cable goes to those optos and where they go on the other side of the cable.
The trick is to find the Enable pin/wire for the drives, then step/dir or most probably up/down or quadrature, the rest falls into place easily afterwards. Inputs should be a bit easier but they do need time to find and check and recheck.
First, that is a very old PC with ISA slots, well the whole PC is in one of such ISA slots, so chances of running anything more than DOS are slim. Even then there are no drivers for the IO board, most probably.
So this requires a bit of reverse engineering, start by yanking out the IO board, use the DVM to trace connections on the board, start by finding out what pin on the IDC20 goes to what transistor on that board (the small black things, 16 of them) and where that pin goes on the other side of the cable to figure out what it controls.
Later, find the PDF for the yellow ooptocouplers on the inputs, see what pin from the wide flat cable goes to those optos and where they go on the other side of the cable.
The trick is to find the Enable pin/wire for the drives, then step/dir or most probably up/down or quadrature, the rest falls into place easily afterwards. Inputs should be a bit easier but they do need time to find and check and recheck.
Please Log in or Create an account to join the conversation.
- clayd_lopunk
- Offline
- Senior Member
-
Less
More
- Posts: 60
- Thank you received: 3
30 Sep 2022 07:27 #253076
by clayd_lopunk
Replied by clayd_lopunk on topic Retrofit cnc 3axis
So do I have to take the large card connected to the ISA slot out of the cabinet ?. What is DVM? Should I test on this board the continuity with the multimeter between the black transistors and the pins of the cable marked IDC20?
My head starts to spin .. xD
Thanks Tommy
My head starts to spin .. xD
Thanks Tommy
Please Log in or Create an account to join the conversation.
- Aciera
-
- Offline
- Administrator
-
Less
More
- Posts: 4691
- Thank you received: 2098
30 Sep 2022 09:02 - 30 Sep 2022 09:03 #253079
by Aciera
Replied by Aciera on topic Retrofit cnc 3axis
Looking at your pictures of the opened controller it seems to me that the schematics you posted earlier will be only of limited use. This looks somewhat different. I was not expecting to see a pc motherboard and a hard drive in there.
So do the 25pin and the 9pin cables we were talking about before coming from the external PC connect to the pc-motherboard in the controller?
As tommylight has pointed out, the bottom board handles the inputs and outputs, but it also looks like it got a micro processor on it.
DVM = Digital Volt Meter
The ribbon cable you marked with the yellow dashes would carry the output signals (enable, step, direction, etc). The other wider ribbon cable to the right (on the otherside of the sticker with "OK" on it is likely to carry all the input signals (endswitches, etc). Does that cable go to the same board as the ribbon cable with the yellow dashes?
So do the 25pin and the 9pin cables we were talking about before coming from the external PC connect to the pc-motherboard in the controller?
As tommylight has pointed out, the bottom board handles the inputs and outputs, but it also looks like it got a micro processor on it.
DVM = Digital Volt Meter
The ribbon cable you marked with the yellow dashes would carry the output signals (enable, step, direction, etc). The other wider ribbon cable to the right (on the otherside of the sticker with "OK" on it is likely to carry all the input signals (endswitches, etc). Does that cable go to the same board as the ribbon cable with the yellow dashes?
Last edit: 30 Sep 2022 09:03 by Aciera. Reason: rephrasing
The following user(s) said Thank You: tommylight
Please Log in or Create an account to join the conversation.
- clayd_lopunk
- Offline
- Senior Member
-
Less
More
- Posts: 60
- Thank you received: 3
30 Sep 2022 11:14 #253086
by clayd_lopunk
Replied by clayd_lopunk on topic Retrofit cnc 3axis
Yes this is another machine but still the same MC 53. The serial tests on the other have the same results. Here I saw only one DB25 it seemed easier to put linuxCNC on it. Instead of having two external PCs, one to send machine data and one to draw, the PC to send the ISO has it inside, and allows you to enable the drives. It was plugged in to work simultaneously, and the db25 cable is connected to this motherboard. The original installation was probably connected directly to the big board, but if the machine was working it could not be drawn.
In any case, the two cables (one yellow) lead to the same card, near the axis cards. I need to check continuity between one of the black capacitors and a pin of the flat cable on which side?
Thanks so much guys !! It gets complicated but with your help I'm learning a lot of stuff !! Great
In any case, the two cables (one yellow) lead to the same card, near the axis cards. I need to check continuity between one of the black capacitors and a pin of the flat cable on which side?
Thanks so much guys !! It gets complicated but with your help I'm learning a lot of stuff !! Great
Please Log in or Create an account to join the conversation.
- Aciera
-
- Offline
- Administrator
-
Less
More
- Posts: 4691
- Thank you received: 2098
30 Sep 2022 11:47 #253088
by Aciera
Replied by Aciera on topic Retrofit cnc 3axis
I expected the db25 cable to carry the step/dir signals that drive the motors and all the other signals just like on a parallel port interface. That is what's shown in the schematics. If that were the case than that would be the simplest solution for sure. Now that this cable goes to the motherboard in the controller I start to wonder if it's maybe not that easy.
The problem here is that it's hard to know what that motherboard and the processor board do. It's well possible that the controller expects to see a pulse signal of a certain frequency coming from the external PC to enable the machine (ie a charge pump). But you would need an oscilloscope to explore that further.
So you will have to decide whether you want to continue trying to interface to the existing db25 cable with the controller unmodified or throw out the processor board in the controller and interface directly to the two ribbon cables that handle the inputs and outputs.
The problem here is that it's hard to know what that motherboard and the processor board do. It's well possible that the controller expects to see a pulse signal of a certain frequency coming from the external PC to enable the machine (ie a charge pump). But you would need an oscilloscope to explore that further.
So you will have to decide whether you want to continue trying to interface to the existing db25 cable with the controller unmodified or throw out the processor board in the controller and interface directly to the two ribbon cables that handle the inputs and outputs.
Please Log in or Create an account to join the conversation.
- clayd_lopunk
- Offline
- Senior Member
-
Less
More
- Posts: 60
- Thank you received: 3
30 Sep 2022 16:29 #253112
by clayd_lopunk
Replied by clayd_lopunk on topic Retrofit cnc 3axis
I would like to leave the machine as it is, but if it is easier to remove the motherboard and connect to the flat cables maybe it is better, moreover the oscilloscope for how much I would like to use it costs too much. If with linuxcnc then a pc is enough for me to draw and mill together, it also becomes useless to work with two boards. If I want to restore it, I can always do it as long as I reassemble the card, the original PC and connect the right cable?
Please Log in or Create an account to join the conversation.
- tommylight
-
- Offline
- Moderator
-
Less
More
- Posts: 21556
- Thank you received: 7354
30 Sep 2022 17:29 - 30 Sep 2022 17:31 #253114
by tommylight
What did i miss?
Did not read everything, just snippets .
Replied by tommylight on topic Retrofit cnc 3axis
I expected the db25 cable to carry the step/dir signals that drive the motors and all the other signals just like on a parallel port interface. That is what's shown in the schematics.
What did i miss?
Did not read everything, just snippets .
Last edit: 30 Sep 2022 17:31 by tommylight.
Please Log in or Create an account to join the conversation.
- clayd_lopunk
- Offline
- Senior Member
-
Less
More
- Posts: 60
- Thank you received: 3
30 Sep 2022 20:49 #253121
by clayd_lopunk
Replied by clayd_lopunk on topic Retrofit cnc 3axis
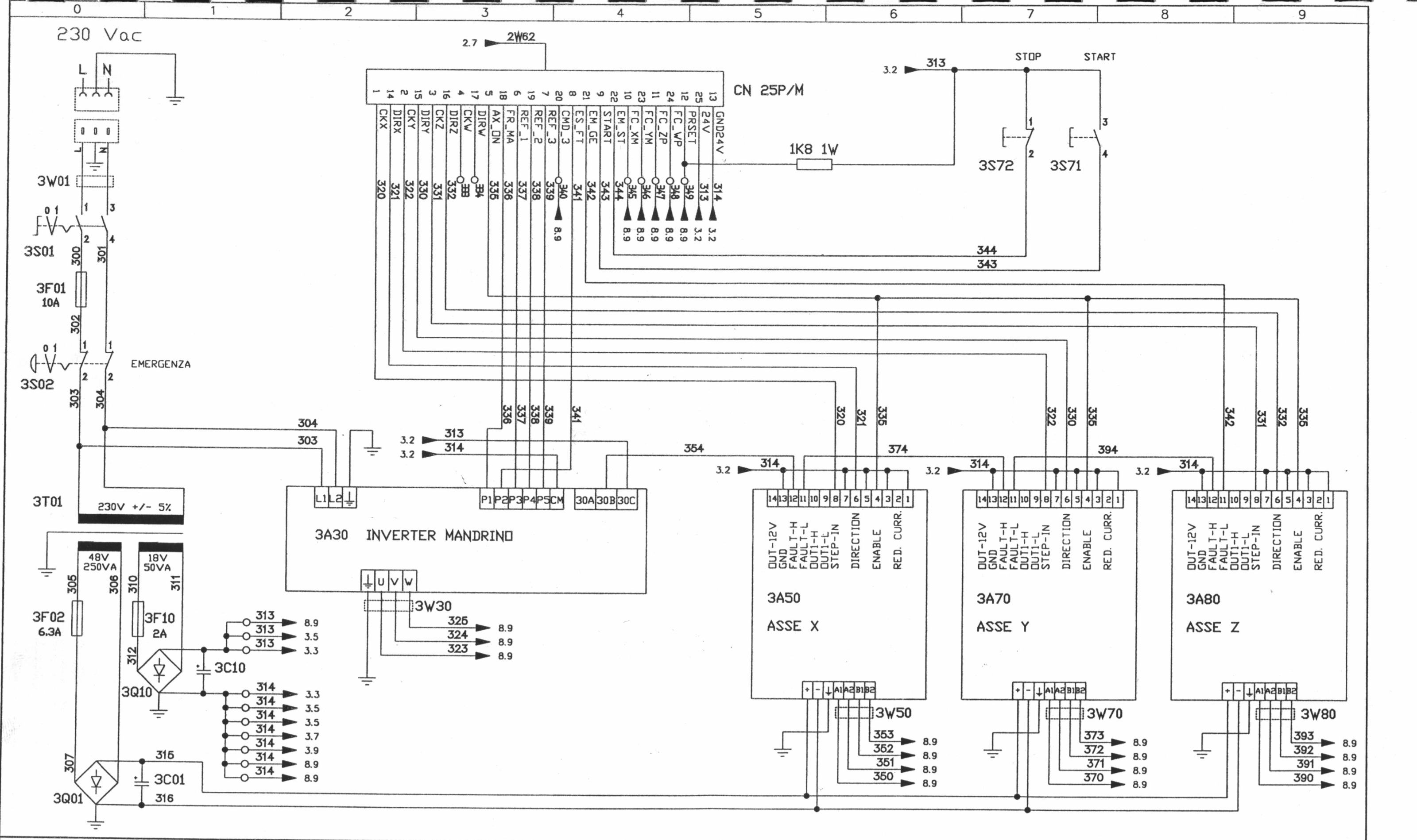
Probably Aciera refers to the schematic I had shared, one of my car and the other of the previous model. There was a pinout described which should match that of the db25 for all machines. But unfortunately it referred to when the machine was connected in single. When the technicians set up the double processing and installed the internal motherboard, they bypassed the direct signals of the db25 through the processors that allow the axes to be enabled only by communicating with the PC.
If I could restore single mode by removing the internal motherboard, the DB25 should match the one in the diagram. However, there is no certainty. So if you can guide me guys, I try to do the RE as you suggest.
If I could restore single mode by removing the internal motherboard, the DB25 should match the one in the diagram. However, there is no certainty. So if you can guide me guys, I try to do the RE as you suggest.
Please Log in or Create an account to join the conversation.
- clayd_lopunk
- Offline
- Senior Member
-
Less
More
- Posts: 60
- Thank you received: 3
30 Sep 2022 20:50 #253122
by clayd_lopunk
Replied by clayd_lopunk on topic Retrofit cnc 3axis
diagrams
Please Log in or Create an account to join the conversation.
- tommylight
-
- Offline
- Moderator
-
Less
More
- Posts: 21556
- Thank you received: 7354
30 Sep 2022 23:02 #253131
by tommylight
Replied by tommylight on topic Retrofit cnc 3axis
Yeah, not the same port.
The DB25 on the back is plugged into the old PC, so that is not the same 25 pins as in the schematics.
Thinking of it, why do you bother?
Find the 25 pin connector and wire stuff up, let is loose, and make chips.
More pictures, i could not find that port on any pictures, it has to go to the drive back plate.
The DB25 on the back is plugged into the old PC, so that is not the same 25 pins as in the schematics.
Thinking of it, why do you bother?
Find the 25 pin connector and wire stuff up, let is loose, and make chips.
More pictures, i could not find that port on any pictures, it has to go to the drive back plate.
Please Log in or Create an account to join the conversation.
Time to create page: 0.168 seconds