spindle orient
- jefsaro
-
Topic Author
- Offline
- Premium Member
-
Less
More
- Posts: 104
- Thank you received: 4
09 Jan 2021 06:03 #194563
by jefsaro
Replied by jefsaro on topic spindle orient
thanks i test this week
Please Log in or Create an account to join the conversation.
- jefsaro
-
Topic Author
- Offline
- Premium Member
-
Less
More
- Posts: 104
- Thank you received: 4
10 Jan 2021 09:48 #194697
by jefsaro
Replied by jefsaro on topic spindle orient
hi , now i 'am this error , where is my fault?
Please Log in or Create an account to join the conversation.
- chris@cnc
- Offline
- Platinum Member
-
Less
More
- Posts: 529
- Thank you received: 140
10 Jan 2021 11:03 - 10 Jan 2021 11:07 #194706
by chris@cnc
Replied by chris@cnc on topic spindle orient
Hi,
in your ini sectiondifferent Hal file seleced as you posted. So don't know what is wrong. Basically in line 28.
It seems you copy and paste lot of snippet somewere and pray that it works. I must disapoint you this will not work without any background.
Start with a new config.
maybe split in 4 hal files to get smaller files.
ini.hal -> put all basic config, setp, addf in
io.hal -> all I/O lines, limit, home, emg switches...
axis.hal -> all axis staff
spindle.hal -> all spindle staff
add this files in the [HAL] section of your ini
In this way you can try some snippets and modify to your environment.
And don't forget the comment. At some point you will despair
in your ini section
[HAL]
HALUI = halui
HALFILE = Spindel.hal --> This file is wrong
HALFILE = custom.hal
POSTGUI_HALFILE = postgui_call_list.hal
SHUTDOWN = shutdown.halIt seems you copy and paste lot of snippet somewere and pray that it works. I must disapoint you this will not work without any background.
Start with a new config.
maybe split in 4 hal files to get smaller files.
ini.hal -> put all basic config, setp, addf in
io.hal -> all I/O lines, limit, home, emg switches...
axis.hal -> all axis staff
spindle.hal -> all spindle staff
add this files in the [HAL] section of your ini
In this way you can try some snippets and modify to your environment.
And don't forget the comment. At some point you will despair
Last edit: 10 Jan 2021 11:07 by chris@cnc.
The following user(s) said Thank You: tommylight
Please Log in or Create an account to join the conversation.
- alkabal
- Offline
- Platinum Member
-
Less
More
- Posts: 476
- Thank you received: 52
10 Jan 2021 13:20 #194721
by alkabal
Replied by alkabal on topic spindle orient
First you need to do a working spindle config with separated entry in the ink file
[ORIENT] section is only for orient
I suspect you load original orient in place of orientv2 in your loadrt
I can try to help you creating your spindle config close as possible for orient but I will need to know more about your hw
[ORIENT] section is only for orient
I suspect you load original orient in place of orientv2 in your loadrt
I can try to help you creating your spindle config close as possible for orient but I will need to know more about your hw
Please Log in or Create an account to join the conversation.
- jefsaro
-
Topic Author
- Offline
- Premium Member
-
Less
More
- Posts: 104
- Thank you received: 4
10 Jan 2021 15:46 #194733
by jefsaro
Replied by jefsaro on topic spindle orient
ok thanks for your help , until now, I have been able to configure the fanuc with the help of the forum, but the orient and the language c, python, is like Chinese for me, I know the gcode and the mechanics, and for several years linuxcnc , but it's really complicated without help.
I put you the config which makes the fanuc turn now, I need the orient and the change of the tool with rotary carousel by rotating the spindle to change the tool. This is what you did I think, any help is welcome thanks.
I put you the config which makes the fanuc turn now, I need the orient and the change of the tool with rotary carousel by rotating the spindle to change the tool. This is what you did I think, any help is welcome thanks.
Please Log in or Create an account to join the conversation.
- jefsaro
-
Topic Author
- Offline
- Premium Member
-
Less
More
- Posts: 104
- Thank you received: 4
10 Jan 2021 15:52 #194734
by jefsaro
Replied by jefsaro on topic spindle orient
this my basic configuration
Please Log in or Create an account to join the conversation.
- alkabal
- Offline
- Platinum Member
-
Less
More
- Posts: 476
- Thank you received: 52
10 Jan 2021 23:20 - 11 Jan 2021 09:38 #194807
by alkabal
Replied by alkabal on topic spindle orient
Please without too much change you need to try to make this config working fine
I can try to help with that and when this is ok we can try again orientv2
Please be carefull this is not tested ! and i'm sure some typo error need to be corrected
edit : in the comment i have write that is "# my component orient is not ready for use 2 pin for direction, i sugsest to use a relay for that." But i'm wrong usage for 2 pin is already included i have missed that because i do not use for myself.
I can try to help with that and when this is ok we can try again orientv2
Please be carefull this is not tested ! and i'm sure some typo error need to be corrected
edit : in the comment i have write that is "# my component orient is not ready for use 2 pin for direction, i sugsest to use a relay for that." But i'm wrong usage for 2 pin is already included i have missed that because i do not use for myself.
Last edit: 11 Jan 2021 09:38 by alkabal.
Please Log in or Create an account to join the conversation.
- Benb
-
- Offline
- Elite Member
-
Less
More
- Posts: 183
- Thank you received: 60
14 Jan 2021 02:06 - 14 Jan 2021 03:22 #195280
by Benb
Replied by Benb on topic spindle orient
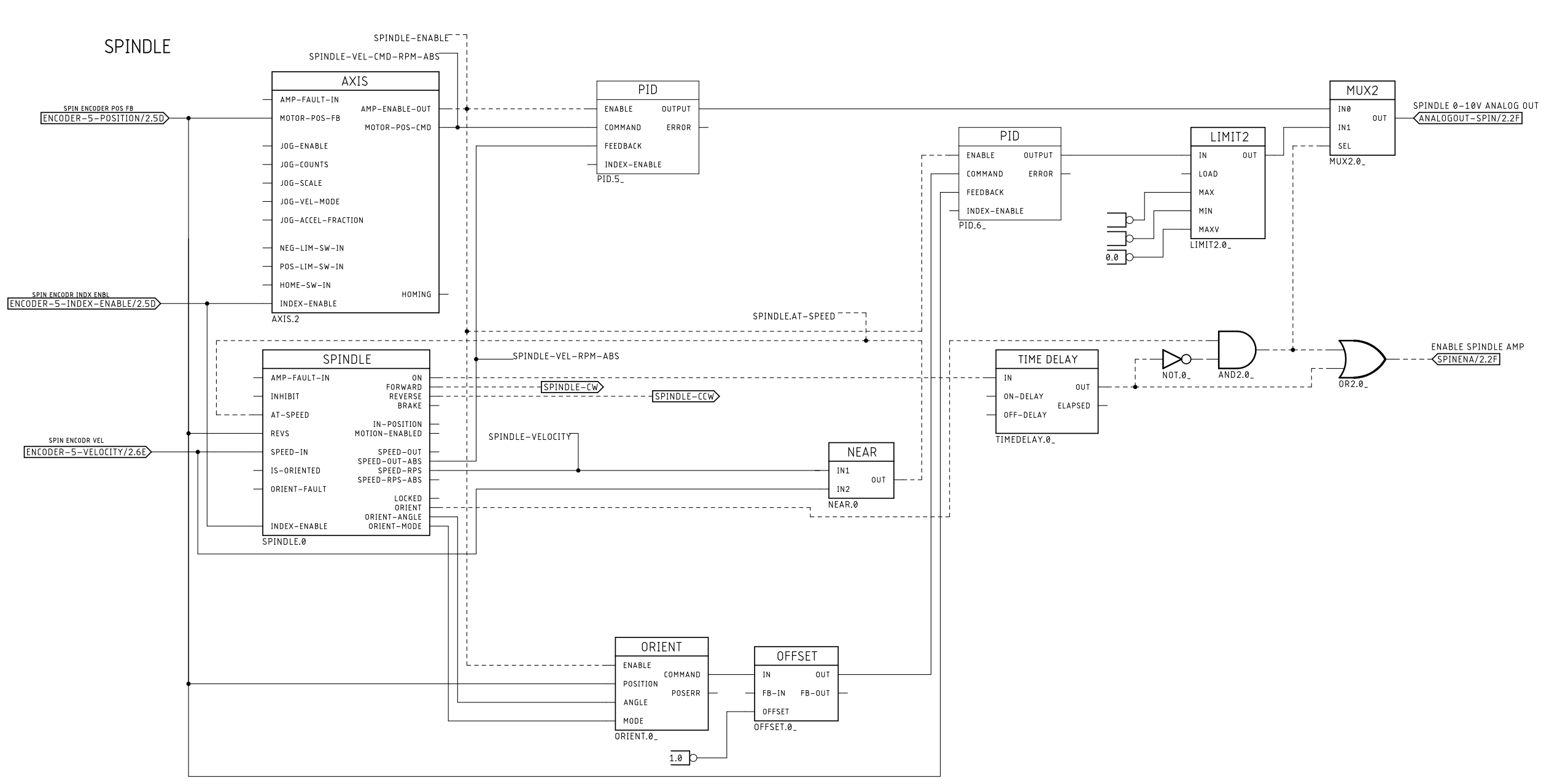
A smart young man going by the name of Talla83 configured his Milling machine with orient. He published his full configuration on his web site it's in German, use Google to translate to English if you don't speak German. talla83.de/linuxcnc/config.htm
Awhile back I made diagram of talla83's halconfiguration. It might help you tweak the parameters to work with your machine.
Edit:
I took the dogs for walk when I realize I was too brief in may previous email.
The Hal files with the orient configuration on tallas83’s web site is named 2020_09_06.zip . By tweaking parameters, I mean the parameters of the following components: spindle-pid, orient-pid, near, timedelay, offset and limit2. So, start with talla83’s settings and play with the parameters until success.
Good luck
Ben
Awhile back I made diagram of talla83's halconfiguration. It might help you tweak the parameters to work with your machine.
Edit:
I took the dogs for walk when I realize I was too brief in may previous email.
The Hal files with the orient configuration on tallas83’s web site is named 2020_09_06.zip . By tweaking parameters, I mean the parameters of the following components: spindle-pid, orient-pid, near, timedelay, offset and limit2. So, start with talla83’s settings and play with the parameters until success.
Good luck
Ben
Last edit: 14 Jan 2021 03:22 by Benb.
Please Log in or Create an account to join the conversation.
- jefsaro
-
Topic Author
- Offline
- Premium Member
-
Less
More
- Posts: 104
- Thank you received: 4
14 Jan 2021 10:15 #195301
by jefsaro
Replied by jefsaro on topic spindle orient
hello , i use linux 2.8.1 now , i make a new configuration whit your complete ini and hal file , but i 'am same problem ,i don't undestand .
Please Log in or Create an account to join the conversation.
- Benb
-
- Offline
- Elite Member
-
Less
More
- Posts: 183
- Thank you received: 60
14 Jan 2021 10:51 #195302
by Benb
Replied by Benb on topic spindle orient
Jefsaro,
*Download: Debian 10 Buster PREEMPT-RT ISO
*Transfer the file to a usb stick (I use windows 10 for me its convenient to use rufus software to transfer the linuxcnc iso file to the usb stick) use whatever is convenient for you.
*Use the stick to do a clean install on your linuxcnc pc.
* load your basic configuration that you created with pcconfig (don’t add anything else for now)
*Test your basic configuration to make sure it works with your hardware.
* When you are satisfied with the results upload your files and I will help you add the orient part of the configuration.
Take your time don't rush to avoid silly screw ups.
*Download: Debian 10 Buster PREEMPT-RT ISO
*Transfer the file to a usb stick (I use windows 10 for me its convenient to use rufus software to transfer the linuxcnc iso file to the usb stick) use whatever is convenient for you.
*Use the stick to do a clean install on your linuxcnc pc.
* load your basic configuration that you created with pcconfig (don’t add anything else for now)
*Test your basic configuration to make sure it works with your hardware.
* When you are satisfied with the results upload your files and I will help you add the orient part of the configuration.
Take your time don't rush to avoid silly screw ups.
Please Log in or Create an account to join the conversation.
Time to create page: 0.097 seconds